Sie sind hier: Startseite » Installationsmaterial » Verteilereinbau » ABB » Bedienersoftware DriveWindowsLight 6
ABB Bedienersoftware DriveWindowsLight 6
Art.Nr.: 495006
Kurzfristig lieferbar Lieferzeit: 7-14 Arbeitstage
Bedienersoftware DriveWindowsLight 6
Hersteller: ABB
Hersteller-Art.Nr.: 64532871
EAN: 6410038060961
Ursprung: Finnland
Zolltarif: 85049090
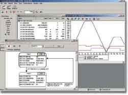
DriveWindow Light ist ein benutzerfreundliches Software-Tool, das während der gesamten Nutzungsdauer des Antriebs zur Inbetriebnahme, Überwachung und Leistungsoptimierung verwendet werden kann. Mit dem Sequenzprogrammierungs-Tool in DriveWindow Light lassen sich Ablaufprogramme schnell erstellen und ändern.
| Merkmale: | |
| Art des Zubehörs/Ersatzteils | Softwaretool |
Hersteller:
ABB Stotz-Kontakt GmbH
c/o PMA
Eppelheimer Straße 82
69123 Heidelberg
Land: DE
E-Mail: info.stotz@de.abb.com
www.abb.de
ABB Stotz-Kontakt GmbH
c/o PMA
Eppelheimer Straße 82
69123 Heidelberg
Land: DE
E-Mail: info.stotz@de.abb.com
www.abb.de
Bitte warten
Stellen Sie uns eine Frage zu diesem Artikel. Wir Antworten Ihnen per E-Mail.
Das könnte Sie auch interessieren:
Top Seller aus dieser Kategorie:
Zuletzt angesehene Artikel:
ABB Bedienersoftware DriveWindowsLight 6
Art.Nr.: 495006
45,25 €
Sie bestellen mehr Artikel, als im Lager verfügbar sind.

























