BERNSTEIN Sicherer Scharnierschalter SHS-A1Z-SA-BG
Art.Nr.: 992437
Kurzfristig lieferbar Lieferzeit: 7-14 Arbeitstage
Sicherer Scharnierschalter SHS-A1Z-SA-BG
Hersteller: BERNSTEIN
Hersteller-Art.Nr.: 6019261017
EAN: 4024337085574
Ursprung: Deutschland
Zolltarif: 85365080
Der Scharnierschalter SHS vereint Scharnier und Sicherheitsschalter in nur einer Funktions- und Montageeinheit. Dabei bietet er volle Flexibilität beim Einbau, Anschluss und bei der Einstellung. Da der Scharnierschalter direkt in die Schutzvorrichtung integriert ist, bietet er erhöhten Manipulationsschutz. Das SHS kann an allen Türen, Hauben und Klappen verwendet und rechts oder links befestigt werden. Der Schaltpunkt des sicheren Scharnierschalters, kann dabei über den gesamtem Schwenkbereich von 0° bis 180° frei eingestellt werden. Durch den einmal einstellbaren und nachträglich nicht mehr veränderbaren Schaltpunkt bietet das SHS größten Manipulationsschutz.
Sichere, komplette Lösung für drehbare Schutzeinrichtungen mit Scharnieren, umfasst Scharnier und Sicherheitsschalter
Dank Schutzart IP67 für den Einsatz in Bereichen mit schwerer Verschmutzung
Hoher Manipulationsschutz, da direkt mit der Schutzeinrichtung verbunden
Tragkräfte bis zu 1000N
Schaltpunkt kann frei von 0° bis 180° eingestellt werden
Einfache Befestigung auch auf Profilen
Systeme können rechts und links befestigt werden
Geringer Wartungsaufwand
Zink-Druckgussscharnier mit integriertem Sicherheitsschalter in einem Gehäuse
| Merkmale: | |
| Mit Statusanzeige | nein |
| Geeignet für Sicherheitsfunktionen | ja |
| Zwangsöffnung | ja |
| Anzahl der sicherheitsgerichteten Hilfskontakte | 1 |
| Anzahl der Kontakte als Öffner | 1 |
| Ausführung des Schaltglieds | Schleichschaltglied |
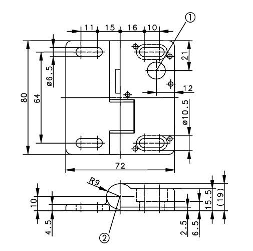
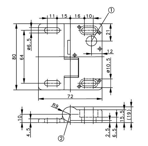
| Breite des Sensors | 72 mm |
| Höhe des Sensors | 19 mm |
| Länge des Sensors | 97 mm |
| Bemessungsbetriebsstrom Ie bei AC-15, 230 V | 1,5 A |
| Gehäusebauform | Sonderbauform |
| Werkstoff des Gehäuses | Metall |
| Beschichtung Gehäuse | sonstige |
| Ausführung des elektrischen Anschlusses | Steckverbinder M12 |
| Explosionsschutz-Kategorie für Gas | ohne |
| Explosionsschutz-Kategorie für Staub | ohne |
| Ausführung der Schnittstelle | ohne |
| Ausführung der Schnittstelle für sicherheitsgerichtete Kommunikation | ohne |
| Schutzart (IP) | IP67 |
| Schutzart (NEMA) | indoor use only |
Bernstein AG
safe solutions
Hans-Bernstein-Str. 1
32457 Porta Westfalica
Land: DE
E-Mail: info@de.bernstein.eu
www.bernstein.eu
























