DEHN Schutzeinrichtungen SPD+POP 2 255 C40
Art.Nr.: 832781
Kurzfristig lieferbar Lieferzeit: 7-14 Arbeitstage
Schutzeinrichtungen SPD+POP 2 255 C40
Hersteller: DEHN
Hersteller-Art.Nr.: 900782
EAN: 4013364156227
Ursprung: Frankreich
Zolltarif: 85363030
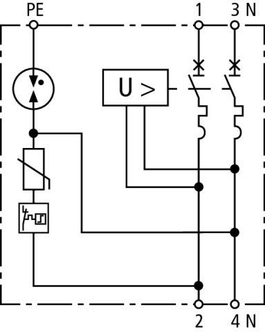
Anschlussfertige Kompletteinheit, keine zusätzliche Verdrahtung der Einzelgeräte notwendig. Erfüllt die Forderungen aus der EN 50550 "
Schutzeinrichtungen gegen netzfrequente Überspannungen"
. Hohe Gerätesicherheit durch Ableiterüberwachung "
Thermo-Dynamik-Control"
. Zum Schutz von Niederspannungs-Verbraucheranlagen vor transienten und temporären Überspannungen (SPD+POP). Zum Einsatz im Blitz-Schutzzonen-Konzept an Schnittstellen 0B-1 und höher.
| Merkmale: | |
| Netzform DC | nein |
| Netzform IT | nein |
| Netzform TN | ja |
| Netzform TN-C | nein |
| Netzform TN-C-S | nein |
| Netzform TN-S | nein |
| Netzform TT | ja |
| Netzform sonstige | nein |
| Nennableitstoßstrom (8/20) | 5 kA |
| Nennspannung AC | 230 V |
| Höchste Dauerspannung AC | 275 V |
| Schutzpegel | 1,5 kV |
| Integrierter Kurzschlussschutz | nein |
| Integrierte Vorsicherung | nein |
| Leckstromfrei | nein |
| Montageart | Hutschiene TH35 |
| Baugröße | 4 TE |
| Max. Leiterquerschnitt starr (ein-/mehrdrähtig) | 25 mm² |
| Max. Leiterquerschnitt flexibel (feindrähtig) | 16 mm² |
| Mit Fernmeldekontakt | nein |
| Signalisierung am Gerät | optisch |
| Prüfklasse Typ 2 | ja |
| Schutzart (IP) | IP20 |
DEHN SE
Hans-Dehn-Str.1
92318 Neumarkt i.d.OPf.
Land: DE
E-Mail: info@dehn.de
www.dehn.de



























