DOEPKE FI/LS-Kombination DRCBO4 C16/0,03/3N-A
Art.Nr.: 831388
Sofort lieferbar Lieferzeit: 1-3 Arbeitstage
FI/LS-Kombination DRCBO4 C16/0,03/3N-A
Hersteller: DOEPKE
Hersteller-Art.Nr.: 09945124
EAN: 4014712266407
Ursprung: Italien
Zolltarif: 85363010
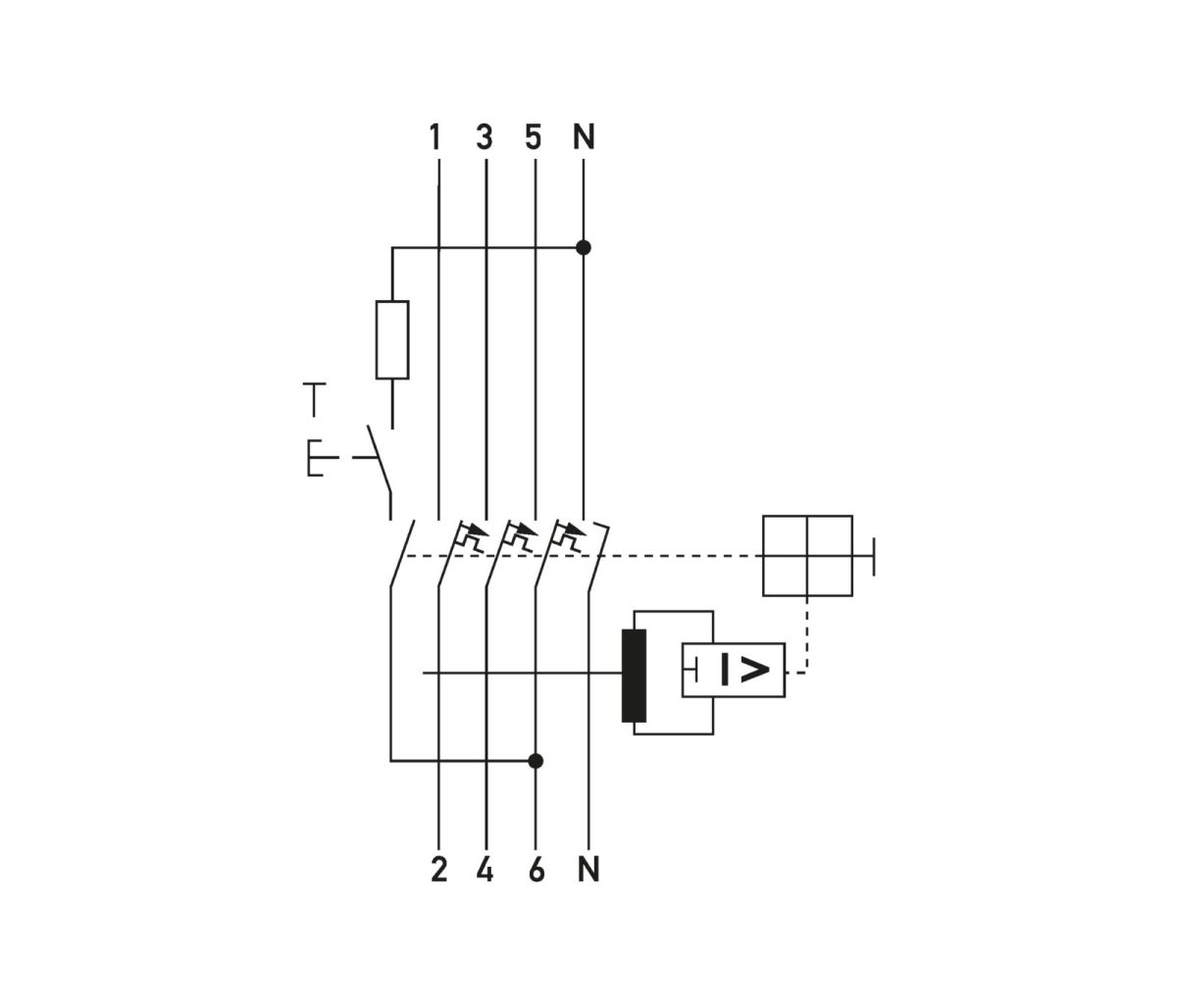
RCBO vereinen Fehlerstrom- und Leitungsschutzschalter in einem Gerät (FI-/LS-Kombination). Sie schützen Menschen vor Fehlerströmen und Anlagen vor Kurzschluss und Überlastung. DRCBO 4 haben ein Bemessungsschaltvermögen von 6 kA. Sie bieten neben der Ausgelöst-Anzeige auch ein Beschriftungsfenster. Schalter des Typs A sind puls- und wechselstromsensitiv. Diese Funktion ist netzspannungsunabhängig. Schalter mit der Auslösecharakteristik C sind für Stromkreise mit hohen Einschalt- bzw. Spitzenströmen optimiert. Standard-Schalter sind für Stromkreise mit einer Bemessungsspannung von 230 V bzw. 400 V und einer Bemessungsfrequenz von 50 Hz ausgelegt. Eigenschaften: puls- und wechselstromsensitiv
netzspannungsunabhängige Auslösung
geringe Baugröße für alle Bemessungsströme
Schaltstellungsanzeige
separate Anzeige des Auslösegrunds
Zugbügelklemmen mit weitem Klemmquerschnittsbereich auf beiden Anschlussseiten
Neutralleiter rechts
Beschriftungsfenster
: Schnellbefestigung auf Tragschiene
Einbaulage beliebig
Einspeisung beliebig
Einsatzgebiete: Schutz von Stromkreisen in Wohn- und Zweckgebäuden sowie Industrieanlagen mit TN-S-, TT- und TN-C-S-Netzen. In IT-Netzen können FI/LS-Schalter zur Abschaltung im Falle eines zweiten Erdschlussfehlers vorgesehen werden
Ausgeschlossen ist der Einsatz in Anlagen mit TN-C-Netzen und zum Schutz von Stromkreisen. in denen Betriebsmittel der Leistungselektronik glatte Gleichfehlerströme oder Fehlerströme mit Frequenzen ungleich 50/60 Hz verursachen können.
| Merkmale: | |
| Polzahl (gesamt) | 4 |
| Anzahl der abgesicherten Pole | 3 |
| Bemessungsspannung | 400 V |
| Bemessungsisolationsspannung Ui | 440 V |
| Bemessungsstoßspannungsfestigkeit Uimp | 4 kV |
| Bemessungsstrom | 16 A |
| Bemessungsfehlerstrom | 0,03 A |
| Fehlerstrom-Typ | A |
| Energiebegrenzungsklasse | 3 |
| Verlustleistung | 6,9 W |
| Bemessungsabschaltvermögen nach EN 61009 | 6 kA |
| Bemessungsschaltvermögen Icn nach EN 61009-1 | 6 kA |
| Abschaltcharakteristik | unverzögert |
| Stoßstromfestigkeit | 0,25 kA |
| Spannungsart | AC |
| Frequenz | 50/60 Hz |
| Auslösecharakteristik | C |
| Mitschaltender Neutralleiter | ja |
| Mit Verriegelungsvorrichtung | nein |
| Überspannungskategorie | 3 |
| Verschmutzungsgrad | 2 |
| Umgebungstemperatur während des Betriebs | -25..40 °C |
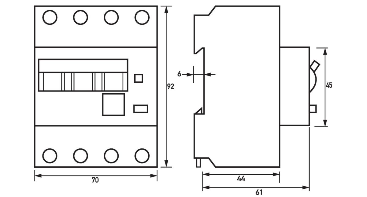
| Breite in Teilungseinheiten | 4 |
| Einbautiefe | 68 mm |
| Unterputzmontage | nein |
| Fehlauslöseschutz | nein |
| Schutzart (IP) | IP20 |
| Anschließbarer Leiterquerschnitt eindrähtig | 1..35 mm² |
| Anschließbarer Leiterquerschnitt mehrdrähtig | 1..25 mm² |
Doepke Schaltgeräte GmbH
Stellmacher Str. 11
26506 Norden
Land: DE
E-Mail: info@doepke.de
www.doepke.de


























