MAICO Axial-Rohrventilator DAR 80/4-1 Ex
Art.Nr.: 1098412
Kurzfristig lieferbar Lieferzeit: 7-14 Arbeitstage
Axial-Rohrventilator DAR 80/4-1 Ex
Hersteller: MAICO
Hersteller-Art.Nr.: 0073.0354
EAN: 4012799733546
Ursprung: Italien
Zolltarif: 84145925
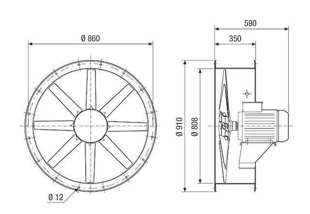
Axial-Rohrventilator für Anwendungen in explosionsgefährdeten Bereichen. Explosionsschutz und Zulassungen nach ATEX. Für alle Gase und Dämpfe der Ex-Gruppe IIA und IIB und zusätzlich für Wasserstoff qualifiziert. Ex II 2 G Ex db IIB+H2 T4 Gb X / Ex II 2 G Ex h IIB+H2 T4 Gb X. Für Einsatztemperaturen von -20 °C <= Ta <= +40 °C. MAICO Ex-Ventilatoren erfüllen die Sicherheitsanforderungen der Europäischen Richtlinie RL 2014/34/EU für Geräte und Schutzsysteme in explosionsgefährdeten Bereichen. Für Zone 1 und 2. Zündschutzarten: d - druckfeste Kapselung und c - konstruktive Sicherheit. Leistungsstarker Ventilator für große Fördervolumen. Zur einfachen und direkten Montage in einem Rohrsystem. Einbau in jeder Lage möglich. Gehäuse aus Stahlblech mit Epoxidbeschichtung. Axiallaufräder aus glasfaserverstärktem, antistatischem Polyamid. Förderrichtung: Die Förderrichtung ist gekennzeichnet. Standard Abluftbetrieb, Förderrichtung über Motor saugend. Motor: Asynchroner Drehstrommotor. Schutzart IP55. Betriebsart S1 (Dauerbetrieb). Temperaturklasse T4. Drehzahlsteuerbar mit Frequenzumrichter. Zulässiger Frequenzbereich bei Drehzahlsteuerung mit Frequenzumrichter sind 20 Hz bis 50 Hz. Die Temperatur im Ventilatormotor wird durch Kaltleiter überwacht. Die Kaltleiter müssen an ein Auslösesystem (Sicherheitseinrichtung gemäß Richtlinie RL 2014/34/EU) angeschlossen werden, das den Ventilator bei zu hohen Temperaturen dauerhaft vom Netz trennt. Elektrischer Anschluss: Anschluss im Klemmenkasten am Motor. Kabelverschraubung in Ex d-Ausführung im Lieferumfang enthalten.Artikel: DAR 80/4-1 Ex, Ausführung: Motorvariante 1, Fördervolumen: 31500 m3/h, Drehzahl: 1440 1/min, Laufradtyp: axial, Drehzahlsteuerbar: ja, Bemessungsspannung: 400 V, Netzfrequenz: 50 Hz, Nennleistung: 5500 W, IMax: 11,4 A, Schutzart: IP 55, Wärmeklasse: F, Polumschaltbar: nein, Einbauort: Rohranschluss, Einbaulage: senkrecht / waagerecht, Material Gehäuse: Stahlblech, verzinkt, Farbe: grau, Gewicht: 90 kg, Gewicht mit Verpackung: 135 kg, Nennweite: 800 mm, Breite: 910 mm, Höhe: 590 mm, Tiefe: 910 mm, Breite mit Verpackung: 1140 mm, Höhe mit Verpackung: 730 mm, Tiefe mit Verpackung: 1140 mm, EX-Bezeichnung nach ATEX-Richtlinie: Ex II 2 G, EX-Bezeichnung nach Norm: Ex db IIB+H2 T4 Gb X / Ex h IIB+H2 T4 Gb X, Ta-Umgebungstemperatur: -20 °C <= Ta <= +40 °C, Betriebsart: S1, PTC DIN 44082: M 100, Temperaturklasse: T4
| Merkmale: | |
| Nennspannung | 400 V |
| Frequenz | 50 Hz |
| Leistungsaufnahme | 5,5 kW |
| Werkstoff des Gehäuses | Stahl |
| Luftmenge unbelastet | 31500 m³/h |
| Mediumtemperatur | -20..40 °C |
| Schutzart (IP) | IP55 |
| Nenndurchmesser Kanal | 800 mm |
| Einbauort | Rohr |
| Für Ex-Zone Gas | 1, 2 |
| Für Ex-Zone Staub | ohne |
| Gerätegruppe nach Richtlinie 94/9/EG | II |
| Explosionsschutz-Kategorie für Gas | ATEX Gas-Ex-Schutz, Kat. 2G |
| Explosionsschutz-Kategorie für Staub | ohne |
| Temperaturklasse nach Richtlinie 94/9/EG | T4 |
Maico Elektroapparate -
Fabrik GmbH
Steinbeisstr. 20
78056 Villingen - Schwenningen
Land: DE
E-Mail: info@maico.de
www.maico-ventilatoren.com



























