MAICO Axial-Rohrventilator DAR 90/4-3 Ex
Art.Nr.: 1098437
Kurzfristig lieferbar Lieferzeit: 7-14 Arbeitstage
Axial-Rohrventilator DAR 90/4-3 Ex
Hersteller: MAICO
Hersteller-Art.Nr.: 0073.0365
EAN: 4012799733652
Ursprung: Italien
Zolltarif: 84145925
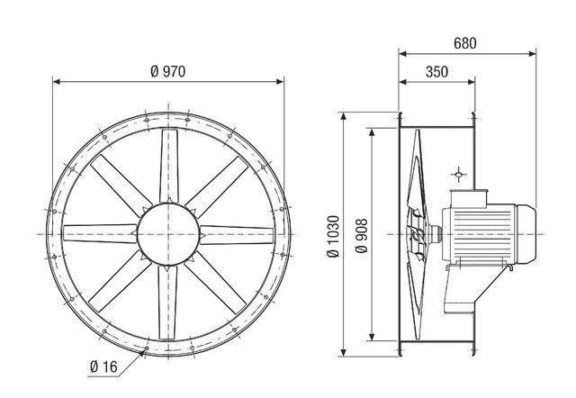
Axial-Rohrventilator für Anwendungen in explosionsgefährdeten Bereichen. Explosionsschutz und Zulassungen nach ATEX. Für alle Gase und Dämpfe der Ex-Gruppe IIA und IIB und zusätzlich für Wasserstoff qualifiziert. Ex II 2 G Ex db IIB+H2 T4 Gb X / Ex II 2 G Ex h IIB+H2 T4 Gb X. Für Einsatztemperaturen von -20 °C <= Ta <= +40 °C. MAICO Ex-Ventilatoren erfüllen die Sicherheitsanforderungen der Europäischen Richtlinie RL 2014/34/EU für Geräte und Schutzsysteme in explosionsgefährdeten Bereichen. Für Zone 1 und 2. Zündschutzarten: d - druckfeste Kapselung und c - konstruktive Sicherheit. Leistungsstarker Ventilator für große Fördervolumen. Zur einfachen und direkten Montage in einem Rohrsystem. Einbau in jeder Lage möglich. Gehäuse aus Stahlblech mit Epoxidbeschichtung. Axiallaufräder aus glasfaserverstärktem, antistatischem Polyamid. Förderrichtung: Die Förderrichtung ist gekennzeichnet. Standard Abluftbetrieb, Förderrichtung über Motor saugend. Motor: Asynchroner Drehstrommotor. Schutzart IP55. Betriebsart S1 (Dauerbetrieb). Temperaturklasse T4. Drehzahlsteuerbar mit Frequenzumrichter. Zulässiger Frequenzbereich bei Drehzahlsteuerung mit Frequenzumrichter sind 20 Hz bis 50 Hz. Die Temperatur im Ventilatormotor wird durch Kaltleiter überwacht. Die Kaltleiter müssen an ein Auslösesystem (Sicherheitseinrichtung gemäß Richtlinie RL 2014/34/EU) angeschlossen werden, das den Ventilator bei zu hohen Temperaturen dauerhaft vom Netz trennt. Elektrischer Anschluss: Anschluss im Klemmenkasten am Motor. Kabelverschraubung in Ex d-Ausführung im Lieferumfang enthalten.Artikel: DAR 90/4-3 Ex, Ausführung: Motorvariante 3, Fördervolumen: 33000 m3/h, Drehzahl: 1440 1/min, Laufradtyp: axial, Drehzahlsteuerbar: ja, Bemessungsspannung: 400 V, Netzfrequenz: 50 Hz, Nennleistung: 5500 W, IMax: 11,4 A, Schutzart: IP 55, Wärmeklasse: F, Polumschaltbar: nein, Einbauort: Rohranschluss, Einbaulage: senkrecht / waagerecht, Material Gehäuse: Stahlblech, verzinkt, Farbe: grau, Gewicht: 120 kg, Gewicht mit Verpackung: 195 kg, Nennweite: 900 mm, Breite: 1030 mm, Höhe: 680 mm, Tiefe: 1030 mm, Breite mit Verpackung: 1040 mm, Höhe mit Verpackung: 830 mm, Tiefe mit Verpackung: 1040 mm, EX-Bezeichnung nach ATEX-Richtlinie: Ex II 2 G, EX-Bezeichnung nach Norm: Ex db IIB+H2 T4 Gb X / Ex h IIB+H2 T4 Gb X, Ta-Umgebungstemperatur: -20 °C <= Ta <= +40 °C, Betriebsart: S1, PTC DIN 44082: M 100, Temperaturklasse: T4
| Merkmale: | |
| Nennspannung | 400 V |
| Frequenz | 50 Hz |
| Leistungsaufnahme | 5,5 kW |
| Werkstoff des Gehäuses | Stahl |
| Luftmenge unbelastet | 33000 m³/h |
| Mediumtemperatur | -20..40 °C |
| Schutzart (IP) | IP55 |
| Nenndurchmesser Kanal | 900 mm |
| Einbauort | Rohr |
| Für Ex-Zone Gas | 1, 2 |
| Für Ex-Zone Staub | ohne |
| Gerätegruppe nach Richtlinie 94/9/EG | II |
| Explosionsschutz-Kategorie für Gas | ATEX Gas-Ex-Schutz, Kat. 2G |
| Explosionsschutz-Kategorie für Staub | ohne |
| Temperaturklasse nach Richtlinie 94/9/EG | T4 |
Maico Elektroapparate -
Fabrik GmbH
Steinbeisstr. 20
78056 Villingen - Schwenningen
Land: DE
E-Mail: info@maico.de
www.maico-ventilatoren.com



























