MAICO Axial-Rohrventilator EZR 30/2 B
Art.Nr.: 1326320
Kurzfristig lieferbar Lieferzeit: 7-14 Arbeitstage
Axial-Rohrventilator EZR 30/2 B
Hersteller: MAICO
Hersteller-Art.Nr.: 0086.0005
EAN: 4012799860051
Ursprung: Deutschland
Zolltarif: 84145925
Wechselstrom-Ausführung
- Axial-Rohrventilator, in Wechselstromausführung.
Kurzbeschreibung
- Rohrhülse aus verzinktem Stahlblech, beidseitig mit Flansch.
- 8-blättrige Flügelräder aus glasfaserverstärktem Polyamid.
- Flanschbohrungen gemäß DIN EN 12220:1998.
- Zur Vermeidung von Schwingungsübertragungen auf das Rohrsystem: Elastische Verbindungsstutzen, Füße und Schwingungsdämpfer verwenden.
- Ventilatoren erfüllen die Anforderungen der europäischen Ökodesign Verordnung (EG) Nr.327/2011 Richtlinie 2009/125/EG.
- Vibrationsfreier Lauf durch dynamisch gewuchtetes Flügelrad und Motor (Welle-Rotor), gemäß Gütestufe 6.3, DIN ISO 1940, Teil 1.
- Hoher lüftungsseitiger Wirkungsgrad, niedriges Betriebsgeräusch.
- Erhöhte Langlebigkeit durch qualitativ hochwertige Materialien wie geräuscharme Kugellager.
- Ventilatoren sind wartungsfrei.
- Einbau in jeder Lage möglich.
Förderrichtung
- Die Förderrichtung ist gekennzeichnet.
- Standard Abluftbetrieb, Förderrichtung über Motor saugend.
Wechselstrommotor
- Typenreihe EZR.
- Asynchronmotor.
- Nicht zur Förderung wasserdampfgesättigter Luft geeignet.
- Bemessungsspannung 230 V, 50 Hz.
- Hohe Schutzart IP 55. Ausnahme EZR ... D IP 54.
- Drehzahlsteuerbar.
- Geräte lassen sich mit optionalen Drehzahlsteller stufenlos regeln oder sie lassen sich mit einem optionalen 5-Stufentransformator stufenweise schalten.
- Reversierbar.
- Reversierbetrieb: Der Volumenstrom verringert sich um ca. 35 % bei anomaler Förderrichtung.
- Kondensatormotor mit Betriebskondensator anschlussfertig im Klemmenkasten.
- Thermischer Überlastungsschutz serienmäßig.
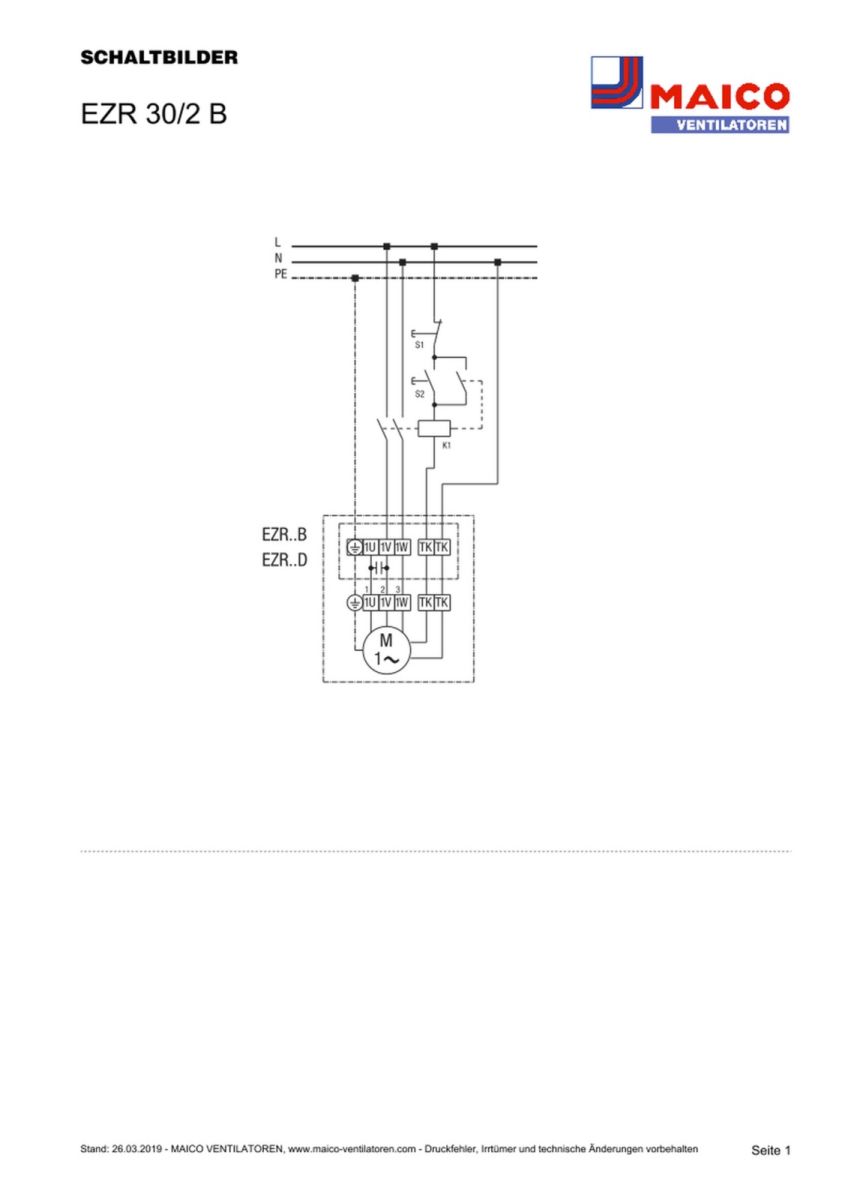
- Die Anschlüsse sind potenzialfrei auf Klemmen geführt und müssen an einen Motorvollschutzschalter z.B. MVE 10-1 (nicht geeignet für EZR 25/4 D, EZR 30/6 B und EZR 35/6 B) oder den Steuerstromkreis eines Schützes angeschlossen werden.
Elektrischer Anschluss
- Außenliegender Klemmenkasten mit Kabeltüllen.
Sicherheitshinweise
- Der Ventilator darf nur in Betrieb genommen werden, wenn der Berührungsschutz des Laufrades gemäß DIN EN ISO 13857 gewährleistet ist z.B. mit Maico Schutzgitter SG.
Artikel:
EZR 30/2 B
- Fördervolumen: 3690 m3/h
- FördervolumenNenn: 2660 m3/h / im opt. Wirkungsgrad
- Druck pfs, Nenn: 165 Pa - im opt. Wirkungsgrad
- Drehzahl nNenn: 2830 1/min - im opt. Wirkungsgrad
- Drehzahl: 2884 1/min
- Laufradtyp: axial
- Drehzahlsteuerbar: ja
- Reversierbarkeit: ja
- Spannungsart: Wechselstrom
- Bemessungsspannung: 230 V
- Netzfrequenz: 50 Hz
- Nennleistung: 350 W / im opt. Wirkungsgrad
- INenn: 1,6 A / im opt. Wirkungsgrad
- IMax: 2,4 A
- Schutzart: IP 55
- Wärmeklasse: B
- Polumschaltbar: nein
- Einbaulage: waagerecht / senkrecht
- Material: Stahlblech, verzinkt
- Farbe: silber
- Gewicht: 12,08 kg
- Gewicht mit Verpackung: 12,88 kg
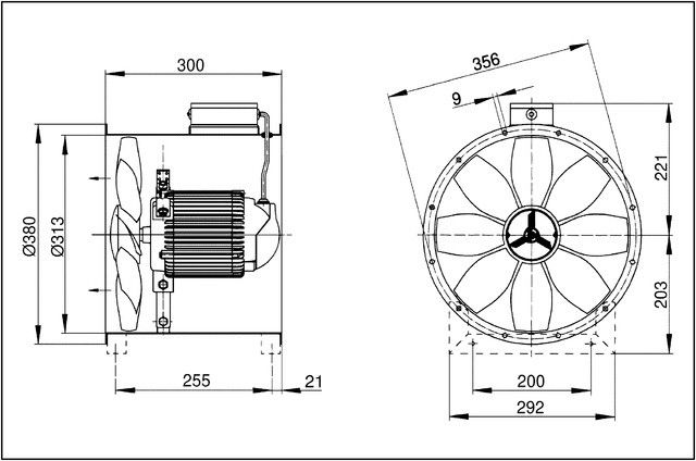
- Nennweite: 300 mm
- Breite: 380 mm
- Höhe: 424 mm
- Tiefe: 300 mm
- Breite mit Verpackung: 420 mm
- Höhe mit Verpackung: 430 mm
- Tiefe mit Verpackung: 330 mm
- Fördermitteltemperatur bei Nennstrom: 60 °C
- Fördermitteltemperatur bei IMax: -20 °C bis 60 °C
- Gesamteffizienz e: 51 %
- Messkategorie: D
- Effizienzkategorie: total
- Effizienzgrad N: 60,4
- VSD erforderlich: nein
- Herstellungsjahr: siehe Typenschild
- Herstellername / Amtliche Registriernummer / Niederlassungsort des Herstellers: Maico Elektroapparate-Fabrik GmbH / Registergericht Freiburg, HRB 601233 / Villingen-Schwenningen
- PBEP / FördervolumenBEP / Pfs, BEP: 0,32 kW / 3140 m3/h
- nBEP: 2850 1/min
- spezifisches Verhältnis: ca. 1
- Informationen zur Zerlegung und Entsorgung: siehe Montageanleitung
- Informationen zu Einbau, Betrieb und Instandhaltung: siehe Montageanleitung
- Verwendete Gegenstände bei der Effizienz-Messung, die nicht durch die Messkategorie beschrieben sind: -
- pf, BEP: 187 Pa
- SchallleistungspegelLWA5: 83 dB(A)
- Gleichstrommotor: false
| Merkmale: | |
| Werkstoff des Gehäuses | rostfreier Stahl |
| Luftmenge unbelastet | 3140 m³/h |
| Anschlussspannung | 230 V |
| Gleichstrommotor | nein |
| Schutzart (IP) | IP55 |
| Polumschaltbar | nein |
| Länge | 300 mm |
| Durchmesser des Gehäuses | 380 mm |
Maico Elektroapparate -
Fabrik GmbH
Steinbeisstr. 20
78056 Villingen - Schwenningen
Land: DE
E-Mail: info@maico.de
www.maico-ventilatoren.com



























