MAICO Axial-Wandventilator EZQ 45/6 B
Art.Nr.: 656803
Kurzfristig lieferbar Lieferzeit: 7-14 Arbeitstage
Axial-Wandventilator EZQ 45/6 B
Hersteller: MAICO
Hersteller-Art.Nr.: 0083.0100
EAN: 4012799831006
Ursprung: Deutschland
Zolltarif: 84145925
Wechselstrom-Ausführung
- Axial-Wandventilator mit quadratischer Wandplatte, in Wechselstromausführung.
Kurzbeschreibung
- Zur Aufputzmontage.
- Schutzgitter auf der Saugseite, Berührungsschutz gemäß DIN EN ISO 13857.
- 8-blättrige Flügelräder aus glasfaserverstärktem Polyamid.
- Thermischer Überlastungsschutz serienmäßig.
- Ventilatoren erfüllen die Anforderungen der europäischen Ökodesign Verordnung (EG) Nr.327/2011 Richtlinie 2009/125/EG.
- Vibrationsfreier Lauf durch dynamisch gewuchtetes Flügelrad und Motor (Welle-Rotor), gemäß Gütestufe 6.3, DIN ISO 1940, Teil 1.
- Hoher lüftungsseitiger Wirkungsgrad.
- Niedriges Betriebsgeräusch.
- Erhöhte Langlebigkeit durch qualitativ hochwertige Materialien wie geräuscharme Kugellager.
- Ventilatoren sind wartungsfrei.
- Einbau zur Be- und Entlüftung in jeder Lage möglich.
Förderrichtung
- Die Förderrichtung ist gekennzeichnet.
- Standard Abluftbetrieb, Förderrichtung über Motor saugend.
Wechselstrommotor
- Typenreihen EZQ/EZS.
- Asynchronmotor.
- Nicht zur Förderung wasserdampfgesättigter Luft geeignet.
- Bemessungsspannung 230 V, 50 Hz.
- Ventilatoren ... B: Kondensatormotoren mit Betriebskondensator am Schutzgitter oder an der Wandhülse, Schutzart IP 55.
- Ventilatoren ... D: Kondensatormotoren mit Betriebskondensator im Anschlusskasten, Schutzart IP 54.
- Ventilatoren ... E: Spaltpolmotoren, Schutzart IP 54.
- Drehzahlsteuerbar. Ausnahme bei Typ EZQ 45/6 B.
- Geräte lassen sich mit optionalen Drehzahlsteller stufenlos regeln oder sie lassen sich mit einem optionalen 5-Stufentransformator stufenweise schalten.
- Reversierbar. Ausnahme bei Ventilatoren mit Spaltpolmotor (... E).
- Reversierbetrieb: Der Volumenstrom verringert sich um ca. 35 % bei anormaler Förderrichtung.
- Thermischer Überlastungsschutz serienmäßig.
Elektrischer Anschluss
- An Klemmleiste im Abschlussdeckel des Motors.
Sicherheitshinweise
- Der Ventilator darf nur in Betrieb genommen werden, wenn der Berührungsschutz des Laufrades gemäß DIN EN ISO 13857 gewährleistet ist z.B. mit Maico Schutzgitter SG.
Artikel:
EZQ 45/6 B
- Ausführung: Quadratische Wandplatte
- Fördervolumen: 4490 m3/h
- FördervolumenNenn: 2945 m3/h / im opt. Wirkungsgrad
- Druck pfs, Nenn: 66 Pa - im opt. Wirkungsgrad
- Drehzahl nNenn: 955 1/min - im opt. Wirkungsgrad
- Drehzahl: 971 1/min
- Laufradtyp: axial
- Drehzahlsteuerbar: nein
- Reversierbarkeit: ja
- Spannungsart: Wechselstrom
- Bemessungsspannung: 230 V
- Netzfrequenz: 50 Hz
- Nennleistung: 185 W / im opt. Wirkungsgrad
- INenn: 1 A / im opt. Wirkungsgrad
- IMax: 1,3 A
- Schutzart: IP 55
- Wärmeklasse: B
- Polumschaltbar: nein
- Einbauort: Wand / Decke
- Einbauart: Aufputz
- Einbaulage: waagerecht / senkrecht
- Material: Stahlblech, verzinkt
- Farbe: silber
- Gewicht: 15,55 kg
- Gewicht mit Verpackung: 18,56 kg
- Nennweite: 450 mm
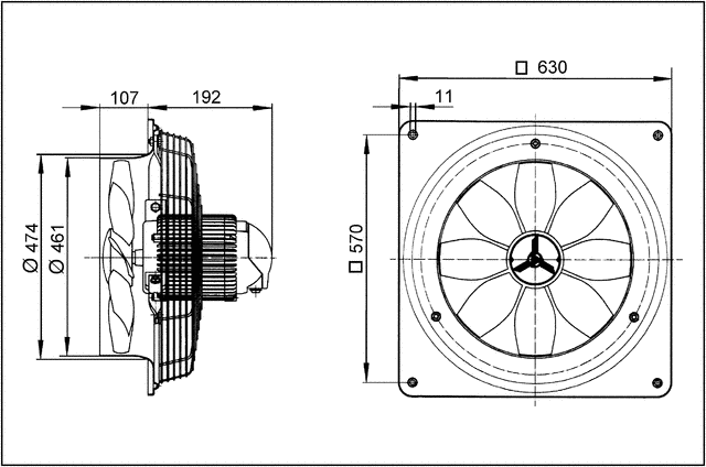
- Breite: 630 mm
- Höhe: 630 mm
- Tiefe: 299 mm
- Breite mit Verpackung: 670 mm
- Höhe mit Verpackung: 670 mm
- Tiefe mit Verpackung: 400 mm
- Fördermitteltemperatur bei IMax: -20 °C bis 60 °C
- Gesamteffizienz e: 29,2 %
- Messkategorie: A
- Effizienzkategorie: statisch
- Effizienzgrad N: 40,1
- VSD erforderlich: nein
- Herstellungsjahr: siehe Typenschild
- Herstellername / Amtliche Registriernummer / Niederlassungsort des Herstellers: Maico Elektroapparate-Fabrik GmbH / Registergericht Freiburg, HRB 601233 / Villingen-Schwenningen
- PBEP / FördervolumenBEP / Pfs, BEP: 0,185 kW / 2945 m3/h / 66 Pa
- nBEP: 955 1/min
- spezifisches Verhältnis: ca. 1
- Informationen zur Zerlegung und Entsorgung: siehe Montageanleitung
- Informationen zu Einbau, Betrieb und Instandhaltung: siehe Montageanleitung
- Verwendete Gegenstände bei der Effizienz-Messung, die nicht durch die Messkategorie beschrieben sind: -
- SchallleistungspegelLWA7: 72 dB(A)
- Verschlussklappe: ohne
| Merkmale: | |
| Netzfrequenz | 50 Hz |
| Bemessungsspannung | 230 V |
| Mediumtemperatur | -20..60 °C |
| Volumenstrom | 4490 m³/h |
| Drehzahl | 971 1/min |
| Schutzart (IP) | IP55 |
| Ausführung | Be- und Entlüftung |
| Nennweite | 450 mm |
| Verschlussklappe | ohne |
Maico Elektroapparate -
Fabrik GmbH
Steinbeisstr. 20
78056 Villingen - Schwenningen
Land: DE
E-Mail: info@maico.de
www.maico-ventilatoren.com


























