MAICO Radialgebläse GRK R 40/4 D Ex
Art.Nr.: 1098573
Kurzfristig lieferbar Lieferzeit: 7-14 Arbeitstage
Radialgebläse GRK R 40/4 D Ex
Hersteller: MAICO
Hersteller-Art.Nr.: 0073.0452
EAN: 4012799734529
Ursprung: Italien
Zolltarif: 84145935
Merkmale
- Radialgebläse aus Kunststoff Polypropylen für Anwendung in explosiongsgefährdeten Bereichen.
- Explosionsschutz und Zulassungen nach ATEX.
- Für alle Gase und Dämpfe der Ex-Gruppe IIA und IIB und zusätzlich für Wasserstoff qualifiziert.
- Ex II 3 G Ex db IIB+H2 T4 Gb X / Ex II 3 G Ex h IIB+H2 T4 Gb X.
- Für Einsatztemperaturen von -20 °C <= Ta <= +40 °C.
- MAICO Ex-Ventilatoren erfüllen die Sicherheitsanforderungen der Europäischen Richtlinie RL 2014/34/EU für Geräte und Schutzsysteme in explosionsgefährdeten Bereichen.
- Für Zone 2.
- Zündschutzarten: d - druckfeste Kapselung und c - konstruktive Sicherheit.
- Druckstarker Ventilator für industrielle Anwendungen.
- Geringer Geräuschpegel und hoher Wirkungsgrad.
- Geeignet zur Förderung von korrosiver und säurehaltiger Luft.
- Zur einfachen und direkten Montage an einem Rohrsystem.
- Der Motor befindet sich außerhalb des Luftstroms.
- Gehäuse aus hochwertigem, leitfähigem Kunststoff Polypropylen, antistatisch.
- Standardausrichtung für Gehäuse LG 270°.
- Der Motorsockel aus epoxidbeschichtetem Stahlblech, zur Befestigung des Ventilators, ist im Lieferumfang enthalten.
- Radiallaufräder mit rückwärtsgekrümmten Schaufeln aus Polypropylen.
Motor
- Dreiphasen Drehstrommotor.
- Schutzart IP 55.
- IE3 Motor.
- Betriebsart S1 (Dauerbetrieb).
- Temperaturklasse T4.
- Befestigungsfuß für Motor aus epoxidbeschichtetem Stahlblech.
- Drehzahlsteuerbar mit Frequenzumrichter.
- Zulässiger Frequenzbereich bei Drehzahlsteuerung mit Frequenzumrichter sind 20 Hz bis 50 Hz.
- Die Temperatur im Ventilatormotor wird durch Kaltleiter überwacht. Die Kaltleiter müssen an ein Auslösesystem (Sicherheitseinrichtung gemäß Richtlinie RL 2014/34/EU) angeschlossen werden, das den Ventilator bei zu hohen Temperaturen dauerhaft vom Netz trennt.
Elektrischer Anschluss
- Anschluss im Klemmkasten am Motor.
- Kabelverschraubung in Ex d-Ausführung im Lieferumfang enthalten.
Artikel:
GRK R 40/4 D Ex
- Fördervolumen: 4600 m3/h
- Drehzahl: 1440 1/min
- Laufradtyp: radial
- Drehzahlsteuerbar: ja
- Reversierbarkeit: nein
- Spannungsart: Drehstrom
- Bemessungsspannung: 400 V
- Netzfrequenz: 50 Hz
- Nennleistung: 550 W
- INenn: 1,5 A
- Schutzart: IP 55
- Wärmeklasse: F
- Polumschaltbar: nein
- Einbauort: Rohranschluss
- Einbaulage: horizontal
- Material Gehäuse: Kunststoff, Polyethylen
- Material Laufrad: Kunststoff, Polypropylen
- Farbe: schwarz
- Gewicht: 47 kg
- Gewicht mit Verpackung: 70 kg
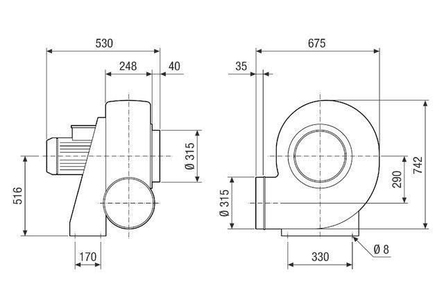
- Baugröße: 400 mm
- Breite: 532 mm
- Höhe: 790 mm
- Tiefe: 675 mm
- Breite mit Verpackung: 1200 mm
- Höhe mit Verpackung: 940 mm
- Tiefe mit Verpackung: 800 mm
- EX-Bezeichnung nach ATEX-Richtlinie: Ex II 3 G
- EX-Bezeichnung nach Norm: Ex db IIB+H2 T4 Gb X / Ex h IIB+H2 T4 Gb X
- Ta-Umgebungstemperatur: -20 °C <= Ta <= +40 °C
- Betriebsart: S1
- PTC DIN 44082: M 100
- Temperaturklasse: T4
| Merkmale: | |
| Nennspannung | 400 V |
| Frequenz | 50 Hz |
| Leistungsaufnahme | 0,55 kW |
| Werkstoff des Gehäuses | Kunststoff |
| Luftmenge unbelastet | 4600 m³/h |
| Mediumtemperatur | -20..40 °C |
| Schutzart (IP) | IP55 |
| Nenndurchmesser Kanal | 400 mm |
| Einbauort | Rohr |
| Für Ex-Zone Gas | 2 |
| Für Ex-Zone Staub | ohne |
| Gerätegruppe nach Richtlinie 94/9/EG | II |
| Explosionsschutz-Kategorie für Gas | ATEX Gas-Ex-Schutz, Kat. 3G |
| Explosionsschutz-Kategorie für Staub | ohne |
| Temperaturklasse nach Richtlinie 94/9/EG | T4 |
Maico Elektroapparate -
Fabrik GmbH
Steinbeisstr. 20
78056 Villingen - Schwenningen
Land: DE
E-Mail: info@maico.de
www.maico-ventilatoren.com


























