MAICO Ventilator DZR 20/2 B
Art.Nr.: 656634
Kurzfristig lieferbar Lieferzeit: 7-14 Arbeitstage
Ventilator DZR 20/2 B
Hersteller: MAICO
Hersteller-Art.Nr.: 0086.0020
EAN: 4012799860204
Ursprung: Deutschland
Zolltarif: 84145925
Drehstrom-Ausführung
- Axial-Rohrventilator, in Drehstromausführung.
Kurzbeschreibung
- Rohrhülse aus verzinktem Stahlblech, beidseitig mit Flansch.
- 8-blättrige Flügelräder aus glasfaserverstärktem Polyamid.
- Flanschbohrungen gemäß DIN EN 12220:1998.
- Zur Vermeidung von Schwingungsübertragungen auf das Rohrsystem: Elastische Verbindungsstutzen, Füße und Schwingungsdämpfer verwenden.
- Ventilatoren erfüllen die Anforderungen der europäischen Ökodesign Verordnung (EG) Nr.327/2011 Richtlinie 2009/125/EG.
- Vibrationsfreier Lauf durch dynamisch gewuchtetes Flügelrad und Motor (Welle-Rotor), gemäß Gütestufe 6.3, DIN ISO 1940, Teil 1.
- Hoher lüftungsseitiger Wirkungsgrad, niedriges Betriebsgeräusch.
- Erhöhte Langlebigkeit durch qualitativ hochwertige Materialien wie geräuscharme Kugellager.
- Ventilatoren sind wartungsfrei.
- Einbau in jeder Lage möglich.
Förderrichtung
- Die Förderrichtung ist gekennzeichnet.
- Standard Abluftbetrieb, Förderrichtung über Motor saugend.
Drehstrommotor
- Typenreihe DZR.
- Asynchronmotor.
- Nicht zur Förderung wasserdampfgesättigter Luft geeignet.
- Bemessungsspannung 400 V, 50 Hz.
- Hohe Schutzart IP 55. Ausnahme DZR ... D IP 54.
- Drehzahlsteuerbar. Ausnahme bei Typ DZR 40/2 B.
- Geräte lassen sich mit einem optionalen 5-Stufentransformator stufenweise schalten.
- Reversierbar.
- Reversierbetrieb: Der Volumenstrom verringert sich um ca. 35 % bei anomaler Förderrichtung.
- Thermischer Überlastungsschutz serienmäßig. Ausnahme bei Typ DZR 25/4 D und polumschaltbaren Axial-Rohrventilatoren auf Anfrage erhältlich.
- Die Anschlüsse sind potenzialfrei auf Klemmen geführt und müssen an einen Motorvollschutzschalter z.B. MV 25-1 oder den Steuerstromkreis eines Schützes angeschlossen werden.
- Polumschaltbare Ventilatoren: Überlastungsschutz mit bauseitig zu beschaffendem Motorvollschutzschalter gewährleisten.
Elektrischer Anschluss
- Außenliegender Klemmenkasten mit Kabeltüllen.
Sicherheitshinweise
- Der Ventilator darf nur in Betrieb genommen werden, wenn der Berührungsschutz des Laufrades gemäß DIN EN ISO 13857 gewährleistet ist z.B. mit Maico Schutzgitter SG.
Artikel:
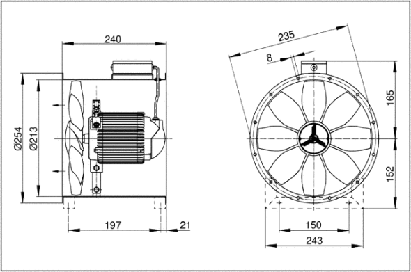
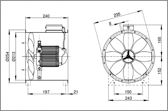
DZR 20/2 B
- Fördervolumen: 1100 m3/h
- Drehzahl: 2850 1/min
- Laufradtyp: axial
- Drehzahlsteuerbar: ja
- Reversierbarkeit: ja
- Spannungsart: Drehstrom
- Bemessungsspannung: 400 V
- Netzfrequenz: 50 Hz
- Nennleistung: 75 W
- INenn: 0,2 A
- IMax: 0,25 A
- Schutzart: IP 55
- Wärmeklasse: B
- Polumschaltbar: nein
- Netzzuleitung: 7 / 1,5 mm2
- Einbaulage: waagerecht / senkrecht
- Material: Stahlblech, verzinkt
- Farbe: silber
- Gewicht: 5,96 kg
- Gewicht mit Verpackung: 6,55 kg
- Nennweite: 200 mm
- Breite: 254 mm
- Höhe: 317 mm
- Tiefe: 240 mm
- Breite mit Verpackung: 355 mm
- Höhe mit Verpackung: 335 mm
- Tiefe mit Verpackung: 265 mm
- Fördermitteltemperatur bei Nennstrom: -20 °C bis 60 °C
- Fördermitteltemperatur bei IMax: -20 °C bis 60 °C
- Gleichstrommotor: false
| Merkmale: | |
| Werkstoff des Gehäuses | rostfreier Stahl |
| Luftmenge unbelastet | 1100 m³/h |
| Anschlussspannung | 400 V |
| Gleichstrommotor | nein |
| Schutzart (IP) | IP55 |
| Polumschaltbar | nein |
| Länge | 240 mm |
| Durchmesser des Gehäuses | 254 mm |
Maico Elektroapparate -
Fabrik GmbH
Steinbeisstr. 20
78056 Villingen - Schwenningen
Land: DE
E-Mail: info@maico.de
www.maico-ventilatoren.com


























