PHOENIX CONTACT Überspannungsschutzgerät D-LAN-CAT.5-FP
Art.Nr.: 977566
Kurzfristig lieferbar Lieferzeit: 7-14 Arbeitstage
Überspannungsschutzgerät D-LAN-CAT.5-FP
Hersteller: PHOENIX CONTACT
Hersteller-Art.Nr.: 2800723
EAN: 4046356730273
Ursprung: China, Volksrepublik
Zolltarif: 85363010
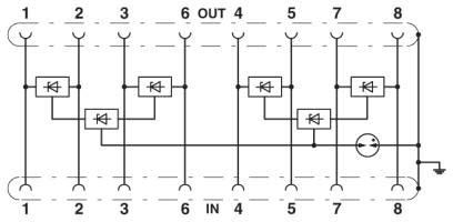
Überspannungsfeinschutz für Datennetzwerke bis zu 1 GBit/s. Einsatz im Ethernet, Power over Ethernet (PoE, Mode A und Mode B), Token Ring, ISDN und DS1. RJ45-Zwischenstecker mit separater Erdungsleitung und Rastfuß für Tragschienen NS 35.
| Merkmale: | |
| Höchste Dauerspannung DC | 48 V |
| Nennableitstoßstrom (8/20) | 0,35 kA |
| Nennlaststrom | 1,5 A |
| Schutzpegel Ader/Ader | 35 V |
| Schutzpegel Ader/Erde | 700 V |
| Grenzfrequenz | 100 MHz |
| Montageart | sonstige |
| Anschluss 1 | RJ45 |
| Mit Fernmeldekontakt | nein |
| Explosionsgeprüfte Ausführung | nein |
PHOENIX CONTACT
Deutschland GmbH
Flachsmarktstr. 8
32825 Blomberg
Land: DE
E-Mail: cpm@phoenixcontact.de
www.phoenixcontact.de



























