Sie sind hier: Startseite » Rund ums Haus » Druckschalter / Sensoren » Turck » Seilzuggeber DW1000-110-7E-H1441
TURCK Seilzuggeber DW1000-110-7E-H1441
Art.Nr.: 838754
Kurzfristig lieferbar Lieferzeit: 7-14 Arbeitstage
Seilzuggeber DW1000-110-7E-H1441
Hersteller: TURCK
Hersteller-Art.Nr.: 1544540
EAN: 4047101256857
Ursprung: Deutschland
Zolltarif: 90318020
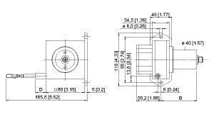
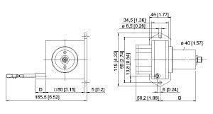
Seilzuggeber, Messbereich bis 1000mm, M12 Steckverbinder, Analogausgang, 4 20mA, Versorgungsspannung 12 30V DC, Schutzart: IP65 (Encoder), Messbereich: 1000 mm
| Merkmale: | |
| Spannungsart | DC |
Hersteller:
Hans Turck GmbH & Co. KG
Witzlebenstr. 7
45472 Mülheim an der Ruhr
Land: DE
E-Mail: tm-vi-gh@turck.com
www.turck.de
Hans Turck GmbH & Co. KG
Witzlebenstr. 7
45472 Mülheim an der Ruhr
Land: DE
E-Mail: tm-vi-gh@turck.com
www.turck.de
Bitte warten
Stellen Sie uns eine Frage zu diesem Artikel. Wir Antworten Ihnen per E-Mail.
Das könnte Sie auch interessieren:
Top Seller aus dieser Kategorie:
Zuletzt angesehene Artikel:
TURCK Seilzuggeber DW1000-110-7E-H1441
Art.Nr.: 838754
1.047,28 €
Sie bestellen mehr Artikel, als im Lager verfügbar sind.


























