WAGO 2-Kanal-Analogeingang 750-482/025-000
Art.Nr.: 1218722
Kurzfristig lieferbar Lieferzeit: 7-14 Arbeitstage
2-Kanal-Analogeingang 750-482/025-000
Hersteller: WAGO
Hersteller-Art.Nr.: 750-482/025-000
EAN: 4045454626914
Ursprung: Deutschland
Zolltarif: 85389099
2-Kanal-Analogeingang
4 20 mA HART
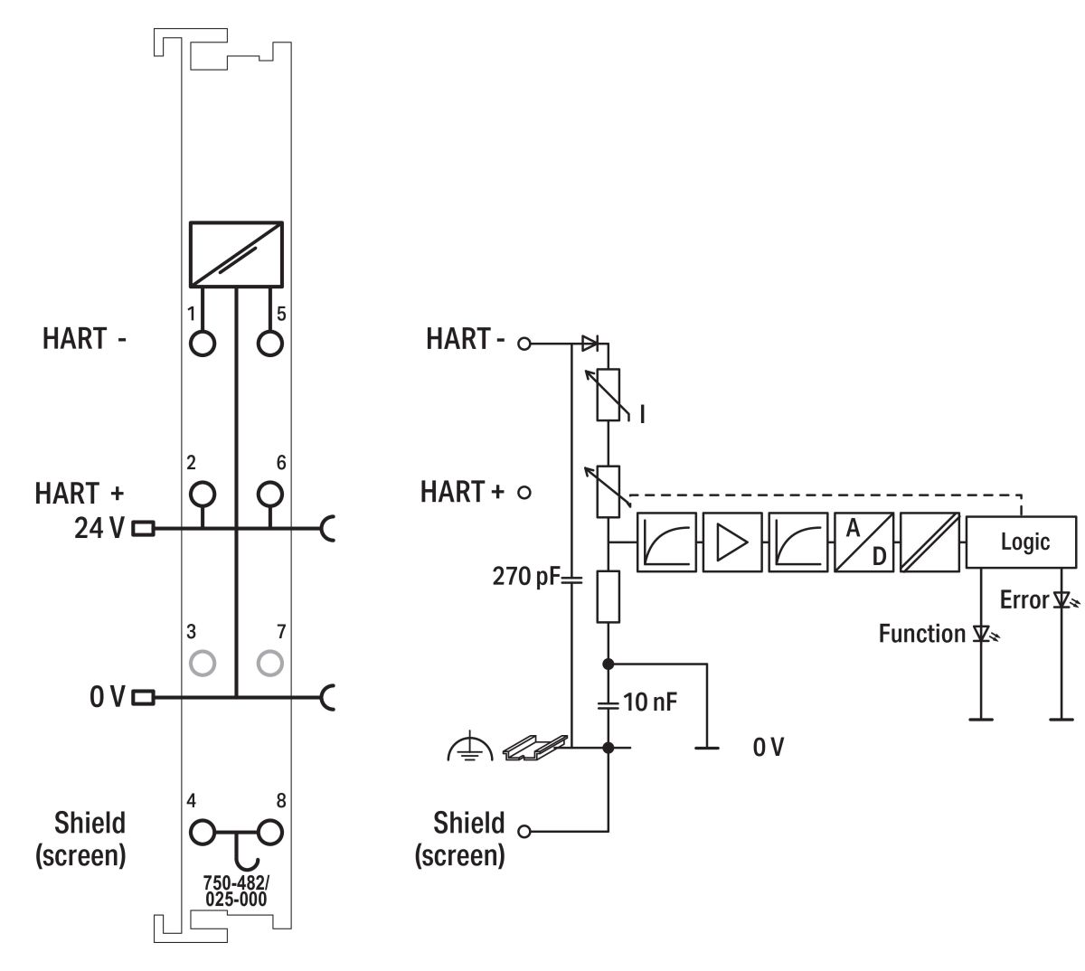
Erw. TemperaturDas Analogeingangsmodul hat die Aufgabe, die im Feld befindlichen Messumformer zu versorgen und analoge Messsignale galvanisch getrennt zum Bussystem zu übertragen.
Die Versorgungsspannung von 24 V wird über die Leistungskontakte für das Feld eingespeist. Der Schirmanschluss ist direkt zur Tragschiene geführt. Der Überlastschutz schaltet den Messeingang ab einem Strom von ca. 25 mA in den hochohmigen Zustand. Der hochohmige Zustand wird bei Rückkehr in den normalen Messbereich automatisch zurückgesetzt. Dieses Modul liefert die Spannungsversorgung für 2-Leiter-Messumformer, die keine eigene Spannungsversorgung haben.
Es können pro Kanal bis zu 4 HART-Nebenvariablen (PV, SV, TV, QV) in das zyklische Prozessabbild des Kopplers bzw. Controllers eingeblendet werden (parametrierbar). Für die HART-Kommunikation zu angeschlossenen intelligenten HART-Feldgeräten kann das HART-Protokoll ins zyklische Prozessabbild des Kopplers bzw. Controllers eingeblendet werden (parametrierbar).
Für einige (programmierbare) Koppler stehen FDT-/DTM-Gerätereiber zur Verfügung, mit denen HART-Toolrouting zum angeschlossenen HART-Gerät möglich ist.
| Merkmale: | |
| Versorgungsspannung bei DC | 24 V |
| Spannungsart der Versorgungsspannung | DC |
| Eingang, Strom | nein |
| Eingang, Spannung | ja |
| Eingang, Widerstand | nein |
| Eingang, Widerstandsthermometer | nein |
| Eingang, Thermoelement | nein |
| Eingangssignal konfigurierbar | nein |
| Auflösung der Analogeingänge | 12 Bit |
| Ausgang, Strom | nein |
| Ausgang, Spannung | nein |
| Ausgangssignal konfigurierbar | nein |
| Anzahl der analogen Eingänge | 2 |
| Analoge Eingänge konfigurierbar | nein |
| Analoge Ausgänge konfigurierbar | nein |
| Unterstützt Protokoll für EtherCAT | nein |
| Unterstützt Protokoll für TCP/IP | nein |
| Unterstützt Protokoll für PROFIBUS | nein |
| Unterstützt Protokoll für CAN | nein |
| Unterstützt Protokoll für INTERBUS | nein |
| Unterstützt Protokoll für ASI | nein |
| Unterstützt Protokoll für KNX | nein |
| Unterstützt Protokoll für MODBUS | nein |
| Unterstützt Protokoll für Data-Highway | nein |
| Unterstützt Protokoll für DeviceNet | nein |
| Unterstützt Protokoll für SUCONET | nein |
| Unterstützt Protokoll für LON | nein |
| Unterstützt Protokoll für PROFINET IO | nein |
| Unterstützt Protokoll für PROFINET CBA | nein |
| Unterstützt Protokoll für SERCOS | nein |
| Unterstützt Protokoll für Foundation Fieldbus | nein |
| Unterstützt Protokoll für EtherNet/IP | nein |
| Unterstützt Protokoll für AS-Interface Safety at Work | nein |
| Unterstützt Protokoll für DeviceNet Safety | nein |
| Unterstützt Protokoll für INTERBUS-Safety | nein |
| Unterstützt Protokoll für PROFIsafe | nein |
| Unterstützt Protokoll für SafetyBUS p | nein |
| Unterstützt Protokoll für sonstige Bussysteme | nein |
| Funkstandard Bluetooth | nein |
| Funkstandard WLAN 802.11 | nein |
| Funkstandard GPRS | nein |
| Funkstandard GSM | nein |
| Funkstandard UMTS | nein |
| IO-Link Master | nein |
| Systemkomponente | ja |
| Schutzart (IP) | IP20 |
| Ausführung des elektrischen Anschlusses | Federzuganschluss |
| Feldbusanschluss über seperaten Buskoppler möglich | ja |
| Tragschienenmontage möglich | ja |
| Wand-/Direktmontage möglich | nein |
| Fronteinbau möglich | nein |
| Rack-Montage möglich | nein |
| Geeignet für Sicherheitsfunktionen | nein |
| SIL nach IEC 61508 | ohne |
| Performance Level nach EN ISO 13849-1 | ohne |
| Zugehöriges Betriebsmittel (Ex ia) | nein |
| Zugehöriges Betriebsmittel (Ex ib) | nein |
| Explosionsschutz-Kategorie für Gas | ATEX Gas-Ex-Schutz, Kat. 3G |
| Explosionsschutz-Kategorie für Staub | ATEX Staub-Ex-Schutz, Kat. 3D |
| Zertifiziert für UL-Gefahrenbereich Klasse I | ja |
| Zertifiziert für UL-Gefahrenbereich Klasse II | nein |
| Zertifiziert für UL-Gefahrenbereich Klasse III | nein |
| Zertifiziert für UL-Gefahrenbereich Division 1 | ja |
| Zertifiziert für UL-Gefahrenbereich Division 2 | nein |
| Zertifiziert für UL-Gefahrenbereich Gruppe A (Acetylen) | ja |
| Zertifiziert für UL-Gefahrenbereich Gruppe B (Wasserstoff) | ja |
| Zertifiziert für UL-Gefahrenbereich Gruppe C (Ethylen) | ja |
| Zertifiziert für UL-Gefahrenbereich Gruppe D (Propan) | ja |
| Zertifiziert für UL-Gefahrenbereich Gruppe E (Metallstäube) | nein |
| Zertifiziert für UL-Gefahrenbereich Gruppe F (kohlenstoffhaltige Stäube) | nein |
| Zertifiziert für UL-Gefahrenbereich Gruppe G (nicht leitende Stäube) | nein |
| Breite | 12 mm |
| Höhe | 100 mm |
| Tiefe | 69,79999999 mm |
WAGO GmbH & Co. KG
Hansastr. 27
32423 Minden
Land: DE
E-Mail: info@wago.com
www.wago.com

























