WAGO Compact Controller 751-9301
Art.Nr.: 830776
Auf Lager:
21
Stk.
Stand: 08.02.2026 18:18 Uhr
Sofort lieferbar Lieferzeit: 1-3 Arbeitstage
Compact Controller 751-9301
Hersteller: WAGO
Hersteller-Art.Nr.: 751-9301
EAN: 4066966192865
Ursprung: Deutschland
Zolltarif: 85371091
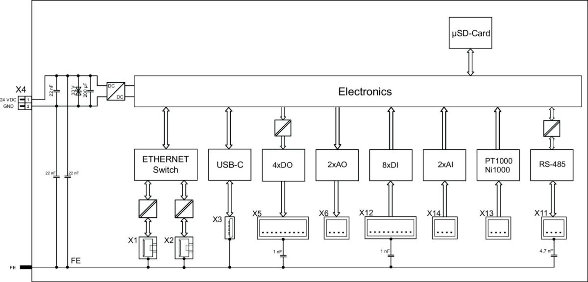
Compact Controller 100
8DI 4DO 2AI 2AO 2NI1K/PT1K 1RS485
2 x ETHERNET
SDDer Compact Controller 100 mit Echtzeit-Linux®-Betriebssystem bietet Anwendern alle Freiheiten: Die Kompaktsteuerung kann mit CODESYS V3 frei programmiert werden, lässt sich aber auch für ein von der IEC 61131 unabhängiges Engineering nutzen, zum Beispiel mit Node-RED, Python oder C++. Dazu kann auf dem Gerät Docker® als Virtualisierungsumgebung unkompliziert nachinstalliert werden. Damit wächst der Compact Controller 100 zu einem vollwertigen IIoT-Device mit Gateway-Funktionalität. WAGO vereint so optimal die Anforderungen aus zwei Welten in einem Gerät und folgt konsequent seinem Kompetenzanspruch Automation meets IT . Weiterer Vorteil des Compact Controllers 100: Er kann dank seiner Bauform als Reiheneinbaugerät (REG), gemäß DIN 43880, auch in Installationskleinverteilern montiert werden. Die I/O-Einheit ist zusammen mit dem Controller in einem kompakten Gehäuse untergebracht und benötigt daher keinen zusätzlichen Platz für weitere Steuerungskomponenten. Die Verdrahtungsebene ist abnehmbar das hat Vorteile bei der Installation und Inbetriebnahme.
Ihre Vorteile:
Flexibles, schnelles und einfaches Engineering .
Controller mit Echtzeit-Linux®-Betriebssystem .
Kompaktsteuerung mit I/Os in einem Gehäuse der Bauform REG.
| Merkmale: | |
| Versorgungsspannung bei DC | 24 V |
| Spannungsart der Versorgungsspannung | DC |
| Ausführung | kompakt |
| Anzahl der HW-Schnittstellen Industrial Ethernet | 2 |
| Anzahl der HW-Schnittstellen seriell RS-485 | 1 |
| Anzahl der analogen Ausgänge | 2 |
| Anzahl der analogen Eingänge | 2 |
| Anzahl der digitalen Eingänge | 8 |
| Anzahl der digitalen Ausgänge | 4 |
| Mit optischer Schnittstelle | nein |
| Unterstützt Protokoll für TCP/IP | ja |
| Unterstützt Protokoll für PROFIBUS | nein |
| Unterstützt Protokoll für CAN | nein |
| Unterstützt Protokoll für INTERBUS | nein |
| Unterstützt Protokoll für ASI | nein |
| Unterstützt Protokoll für KNX | nein |
| Unterstützt Protokoll für MODBUS | ja |
| Unterstützt Protokoll für Data-Highway | nein |
| Unterstützt Protokoll für DeviceNet | nein |
| Unterstützt Protokoll für SUCONET | nein |
| Unterstützt Protokoll für LON | nein |
| Unterstützt Protokoll für PROFINET IO | nein |
| Unterstützt Protokoll für PROFINET CBA | nein |
| Unterstützt Protokoll für SERCOS | nein |
| Unterstützt Protokoll für Foundation Fieldbus | nein |
| Unterstützt Protokoll für EtherNet/IP | ja |
| Unterstützt Protokoll für AS-Interface Safety at Work | nein |
| Unterstützt Protokoll für DeviceNet Safety | nein |
| Unterstützt Protokoll für INTERBUS-Safety | nein |
| Unterstützt Protokoll für PROFIsafe | nein |
| Unterstützt Protokoll für SafetyBUS p | nein |
| Unterstützt Protokoll für sonstige Bussysteme | ja |
| Unterstützt Protokoll für DNP3 | ja |
| Unterstützt Protokoll für IEC 60870 | ja |
| Unterstützt Protokoll für IEC 61850 Ethernet | ja |
| Funkstandard Bluetooth | nein |
| Funkstandard WLAN 802.11 | nein |
| Funkstandard GPRS | nein |
| Funkstandard GSM | nein |
| Funkstandard UMTS | nein |
| IO-Link Master | nein |
| Systemkomponente | nein |
| Redundanzfähigkeit | nein |
| Mit Display | nein |
| Speicherart | RAM |
| Speichergröße | 32768 kByte |
| Programmspeichererweiterung möglich | ja |
| Tragschienenmontage möglich | ja |
| Wand-/Direktmontage möglich | nein |
| Fronteinbau möglich | nein |
| Rack-Montage möglich | nein |
| Geeignet für Sicherheitsfunktionen | nein |
| Zugehöriges Betriebsmittel (Ex ia) | nein |
| Zugehöriges Betriebsmittel (Ex ib) | nein |
| Explosionsschutz-Kategorie für Gas | ohne |
| Explosionsschutz-Kategorie für Staub | ohne |
| Breite | 108 mm |
| Höhe | 90 mm |
| Tiefe | 90 mm |
WAGO GmbH & Co. KG
Hansastr. 27
32423 Minden
Land: DE
E-Mail: info@wago.com
www.wago.com
























