WAGO Handbedienmodul 789-810
Art.Nr.: 796491
Inhalt: 3 Stk.
Kurzfristig lieferbar Lieferzeit: 7-14 Arbeitstage
Handbedienmodul 789-810
Hersteller: WAGO
Hersteller-Art.Nr.: 789-810
EAN: 4050821108849
Ursprung: Deutschland
Zolltarif: 85389091
Handbedienmodul
4 Digitalausgänge
1,50 mm²Kurzbeschreibung:
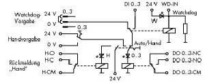
Das digitale Handbedienmodul 789-810 überwacht die verschiedenen Eingänge 0 3 und signalisiert ihre Zustände über eine grüne LED-Anzeige und über den Wechslerkontakt vom Leistungsrelais. In Abhängigkeit des Hand-/Automatik-Schalters und des Watchdog-Eingangs werden die verschiedenen Zustände 0 oder 1 galvanisch getrennt über ein Relais an den Ausgang übermittelt.
| Merkmale: | |
| Geeignet für NOT-AUS | nein |
| Bemessungssteuerspeisespannung Us bei DC | 24 V |
| Farbe des Gehäuseoberteils | sonstige |
| Werkstoff des Gehäuses | Kunststoff |
| Schutzart (IP) | IP20 |
WAGO GmbH & Co. KG
Hansastr. 27
32423 Minden
Land: DE
E-Mail: info@wago.com
www.wago.com
























