WAGO Leiterplattenklemme 2624-3112
Art.Nr.: 1213286
Inhalt: 35 Stk.
Kurzfristig lieferbar Lieferzeit: 7-14 Arbeitstage
Leiterplattenklemme 2624-3112
Hersteller: WAGO
Hersteller-Art.Nr.: 2624-3112
EAN: 4055143578844
Ursprung: Polen
Zolltarif: 85369010
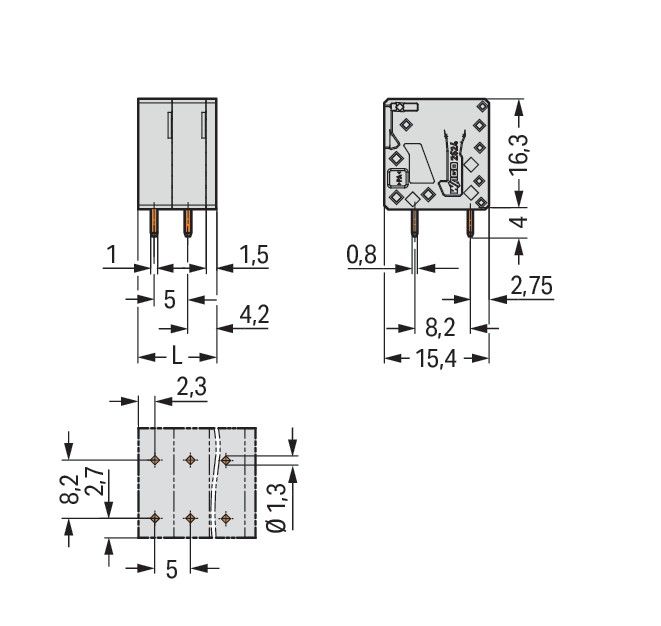
Leiterplattenklemme
4 mm²
Rastermaß 5 mm
12-polig
Push-in CAGE CLAMP®
4,00 mm²
grauLeiterplattenklemmen mit Push-in CAGE CLAMP®-Anschluss .
Direktes Stecken von eindrähtigen Leitern und feindrähtigen Leitern mit Aderendhülsen.
Besonders geeignet für Durchführungsanwendungen durch Betätigung aus Leiteranschlussrichtung.
Prüfmöglichkeiten 0° und 90° zur Leiteranschlussrichtung.
| Merkmale: | |
| Höhe | 16,3 mm |
| Anzahl der elektrischen Anschlüsse | 12 |
| Anzahl der Etagen | 1 |
| Rastermaß der Anschlüsse | 5 mm |
| Winkel Leiterplatte/Leiteranschluss | 90° (vertikal nach oben) |
| Bemessungsstrom In | 41 A |
| Bemessungsspannung | 400 V |
| Bemessungsstoßspannung | 4 kV |
| Überspannungskategorie | III |
| Verschmutzungsgrad | 2 |
| Anschlussart Leiter | Federzuganschluss |
| Anschließbarer Leiterquerschnitt eindrähtig | 0,2..6 mm² |
| Anschließbarer Leiterquerschnitt feindrähtig mit Aderendhülse | 0,25..2,5 mm² |
| Anschließbarer Leiterquerschnitt feindrähtig ohne Aderendhülse | 0,2..6 mm² |
| Anschließbarer Leiterquerschnitt mehrdrähtig | 0,2..6 mm² |
| Anschlussart Leiterplatte | Lötanschluss |
| Werkstoff der Anschlussoberfläche | Zinn |
| Länge des Pins | 4 mm |
| Werkstoff des Isolierkörpers | Thermoplast |
| Gehäusefarbe | grau |
| Brennbarkeitsklasse des Isolierstoffs nach UL 94 | V0 |
| Betriebstemperatur | -60..105 °C |
| Art der Leiterplattenbefestigung | Anschlusskontakt |
| Befestigungsart | löten |
| Art der Banderolierung | ohne |
WAGO GmbH & Co. KG
Hansastr. 27
32423 Minden
Land: DE
E-Mail: info@wago.com
www.wago.com























