WAGO Sicherer Digitaleingang 750-669/000-003
Art.Nr.: 1218802
Kurzfristig lieferbar Lieferzeit: 7-14 Arbeitstage
Sicherer Digitaleingang 750-669/000-003
Hersteller: WAGO
Hersteller-Art.Nr.: 750-669/000-003
EAN: 4055143535588
Ursprung: Deutschland
Zolltarif: 85389099
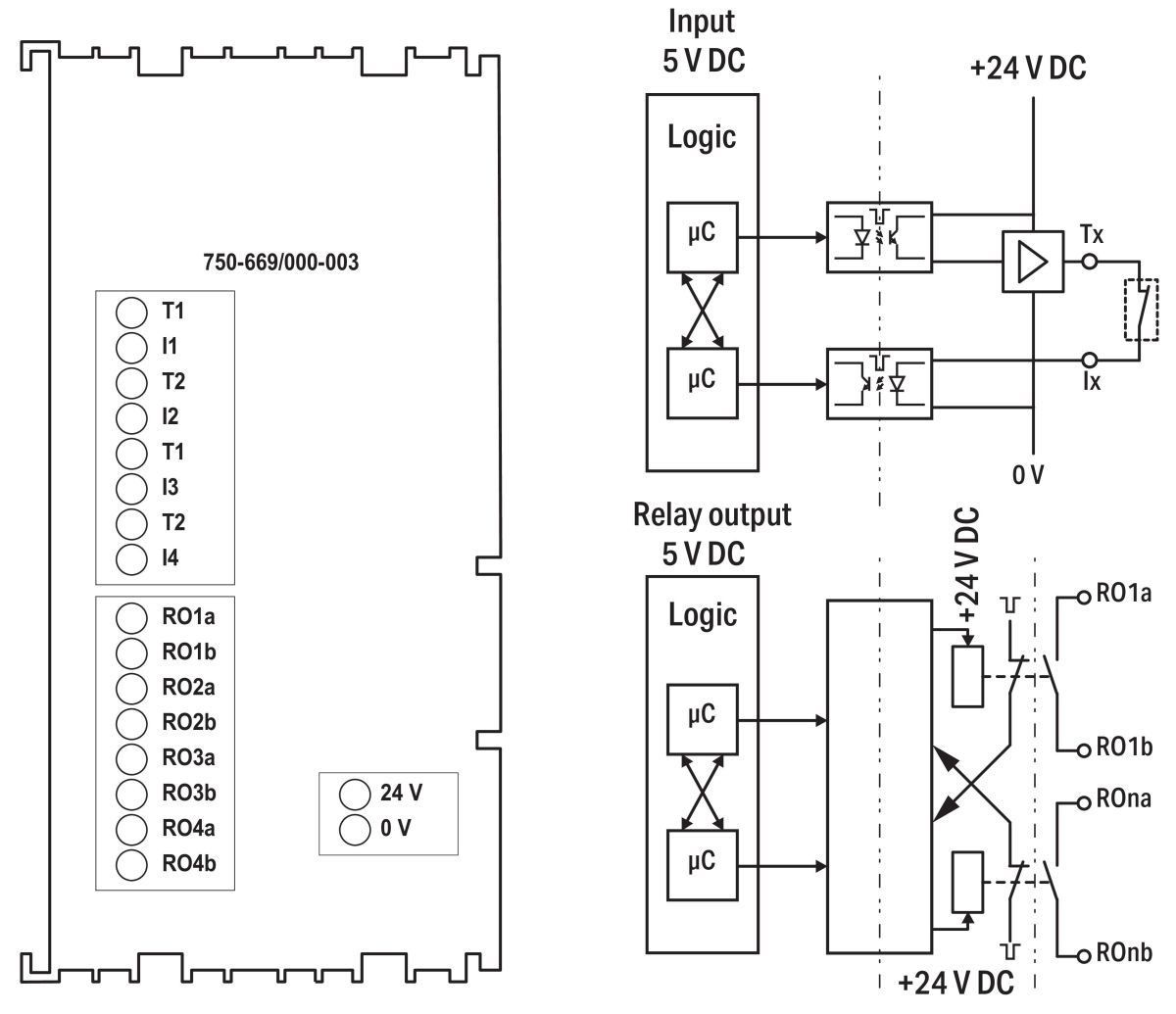
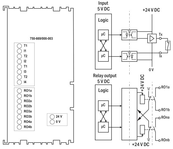
Sicherer Digitaleingang/Relaisausgang, 4/4 Kanäle
AC 48 V/ DC 60 V
6 A
PROFIsafe V 2.0 iParDas Relaismodul verfügt über 4 sichere Eingänge und 4 sichere Relaisausgänge und ist insbesondere für Anwendungen geeignet, die z. B. einzeln galvanisch getrennte Ausgänge benötigen, hohe Lasten schalten müssen oder mit verschiedenen Spannungsarten angesteuert werden sollen (z.B. Gleichstrom oder Wechselstrom).
Die galvanisch getrennten Ausgänge können frei miteinander kombiniert werden, sodass Kat.-2- oder Kat.-4-Architekturen bis SIL3 bzw. PLe möglich sind.
Dafür können die Ausgänge als P (Positiv)-, N (Negativ)-, oder PP- und NN- bzw. PN-schaltend konfiguriert werden. Die 4 sicheren Eingänge sind je nach Anforderung z. B. als Monitoring-Eingänge für die Schützrückmeldekontakte oder frei für NOT-AUS-Schalter oder Türkontakte einsetzbar.
Kurzschluss, Querschluss und 24V-Fremdeinspeisung werden eingangsseitig überwacht.
Die Überwachung und weitere sicherheitsrelevante Parameter wie z.B. Betriebsarten bzw. Abschalten der Testimpulse, Diskrepanzzeiten oder Filterzeiten sind über WAGO-I/O-CHECK parametrierbar.
Das Parametriertool kann in Engineeringsysteme, welche die Aufrufschnittstelle TCI (Tool Calling Interface) mit CC2 bzw. CC3 unterstützen, komfortabel integriert werden. Je nach Einstellung werden die Parameter bei Busklemmentausch automatisch über einen PROFIsafe-konformen iPar-Server in der Steuerung heruntergeladen.
Die PROFIsafe-Adresse kann über Kodierschalter oder über WAGO-I/O-CHECK eingestellt werden.
Die Busklemme unterstützt das PROFIsafe-Protokoll V1 (PROFIBUS) und V2 (PROFIBUS, PROFINET). Die Anordnung der einzelnen Eingangsklemmen ist bei der Projektierung im Feldbusknoten beliebig.
Zum Schutz gegen Surge (Überspannung gemäß IEC 61000-4-5) ist für die 24V-Einspeisung die Filterklemme 750-626 oder ein externer Surge-Filter einzusetzen.
Weitere Informationen sind dem Handbuch zu entnehmen!
| Merkmale: | |
| Versorgungsspannung bei AC 50 Hz | 48 V |
| Versorgungsspannung bei AC 60 Hz | 48 V |
| Versorgungsspannung bei DC | 24 V |
| Spannungsart der Versorgungsspannung | DC |
| Anzahl der digitalen Eingänge | 4 |
| Anzahl der digitalen Ausgänge | 4 |
| Digitale Eingänge konfigurierbar | nein |
| Digitale Ausgänge konfigurierbar | nein |
| Eingangsstrom bei Signal 1 | 2,2 mA |
| Art des Digitalausgangs | Relais |
| Ausgangsstrom | 24 A |
| Zulässige Spannung am Ausgang | 48 V |
| Art der Ausgangsspannung | AC |
| Kurzschlussschutz, Ausgänge vorhanden | ja |
| Mit optischer Schnittstelle | nein |
| Unterstützt Protokoll für EtherCAT | nein |
| Unterstützt Protokoll für TCP/IP | nein |
| Unterstützt Protokoll für PROFIBUS | nein |
| Unterstützt Protokoll für CAN | nein |
| Unterstützt Protokoll für INTERBUS | nein |
| Unterstützt Protokoll für ASI | nein |
| Unterstützt Protokoll für KNX | nein |
| Unterstützt Protokoll für MODBUS | nein |
| Unterstützt Protokoll für Data-Highway | nein |
| Unterstützt Protokoll für DeviceNet | nein |
| Unterstützt Protokoll für SUCONET | nein |
| Unterstützt Protokoll für LON | nein |
| Unterstützt Protokoll für PROFINET IO | nein |
| Unterstützt Protokoll für PROFINET CBA | nein |
| Unterstützt Protokoll für SERCOS | nein |
| Unterstützt Protokoll für Foundation Fieldbus | nein |
| Unterstützt Protokoll für EtherNet/IP | nein |
| Unterstützt Protokoll für AS-Interface Safety at Work | nein |
| Unterstützt Protokoll für DeviceNet Safety | nein |
| Unterstützt Protokoll für INTERBUS-Safety | nein |
| Unterstützt Protokoll für PROFIsafe | ja |
| Unterstützt Protokoll für SafetyBUS p | nein |
| Unterstützt Protokoll für sonstige Bussysteme | nein |
| Funkstandard Bluetooth | nein |
| Funkstandard WLAN 802.11 | nein |
| Funkstandard GPRS | nein |
| Funkstandard GSM | nein |
| Funkstandard UMTS | nein |
| IO-Link Master | nein |
| Systemkomponente | ja |
| Schutzart (IP) | IP20 |
| Ausführung des elektrischen Anschlusses | Federzuganschluss |
| Feldbusanschluss über seperaten Buskoppler möglich | ja |
| Tragschienenmontage möglich | ja |
| Wand-/Direktmontage möglich | nein |
| Fronteinbau möglich | nein |
| Rack-Montage möglich | nein |
| Geeignet für Sicherheitsfunktionen | ja |
| SIL nach IEC 61508 | 3 |
| Zugehöriges Betriebsmittel (Ex ia) | nein |
| Zugehöriges Betriebsmittel (Ex ib) | nein |
| Explosionsschutz-Kategorie für Gas | ATEX Gas-Ex-Schutz, Kat. 3G |
| Explosionsschutz-Kategorie für Staub | ATEX Staub-Ex-Schutz, Kat. 3D |
| Zertifiziert für UL-Gefahrenbereich Klasse I | ja |
| Zertifiziert für UL-Gefahrenbereich Klasse II | nein |
| Zertifiziert für UL-Gefahrenbereich Klasse III | nein |
| Zertifiziert für UL-Gefahrenbereich Division 1 | ja |
| Zertifiziert für UL-Gefahrenbereich Division 2 | nein |
| Zertifiziert für UL-Gefahrenbereich Gruppe A (Acetylen) | ja |
| Zertifiziert für UL-Gefahrenbereich Gruppe B (Wasserstoff) | ja |
| Zertifiziert für UL-Gefahrenbereich Gruppe C (Ethylen) | ja |
| Zertifiziert für UL-Gefahrenbereich Gruppe D (Propan) | ja |
| Zertifiziert für UL-Gefahrenbereich Gruppe E (Metallstäube) | nein |
| Zertifiziert für UL-Gefahrenbereich Gruppe F (kohlenstoffhaltige Stäube) | nein |
| Zertifiziert für UL-Gefahrenbereich Gruppe G (nicht leitende Stäube) | nein |
| Breite | 48 mm |
| Höhe | 100 mm |
| Tiefe | 69,79999999 mm |
WAGO GmbH & Co. KG
Hansastr. 27
32423 Minden
Land: DE
E-Mail: info@wago.com
www.wago.com

























