WAGO Überspannungsschutz 792-802
Art.Nr.: 806896
Kurzfristig lieferbar Lieferzeit: 7-14 Arbeitstage
Überspannungsschutz 792-802
Hersteller: WAGO
Hersteller-Art.Nr.: 792-802
EAN: 4017332780759
Ursprung: Deutschland
Zolltarif: 85363010
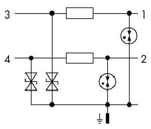
Überspannungsschutzmodul für Signaltechnik
Nennspannung DC 24 V
für 2 Signalpfade mit gemeinsamer Ableitung
für Versorgungsleitungen
1-stufig
Baubreite 6 mm
2,50 mm²
| Merkmale: | |
| Nennspannung DC | 24 V |
| Höchste Dauerspannung AC | 23 V |
| Höchste Dauerspannung DC | 33 V |
| Nennableitstoßstrom (8/20) | 5 kA |
| Nennlaststrom | 10 A |
| Schutzpegel Ader/Ader | 50 V |
| Schutzpegel Ader/Erde | 750 V |
| Grenzfrequenz | 6 MHz |
| Montageart | Hutschiene TH35 |
| Anschluss 1 | Klemme |
| Ableiterüberwachung | nein |
| Mit Fernmeldekontakt | nein |
| Signalisierung am Gerät | ohne |
| Explosionsgeprüfte Ausführung | nein |
| Anzahl der Leiter (ohne Erde) | 2 |
| Baubreite | 6 mm |
| Schutzart (IP) | IP20 |
WAGO GmbH & Co. KG
Hansastr. 27
32423 Minden
Land: DE
E-Mail: info@wago.com
www.wago.com

























